SW188直流接触器

您的位置 : 网站首页 > 产品中心 > 主触头一常开直流接触器系列 > SW188直流接触器
SW188
SW188
  • SW188
型号:SW188直流接触器
  • 线圈额定电压(V)

    6-240

  • 主触点额定电流(A)

    150A

联系电话:021-55560736
ZJ-50D直流接触器

产品介绍

Product introduction

产品用途


SW188专为直流负载而设计,包括用于电动车辆(如工业卡车)的电机。SW188专为中断和不间断负载而开发,适用于开关电阻,电容和电感负载。

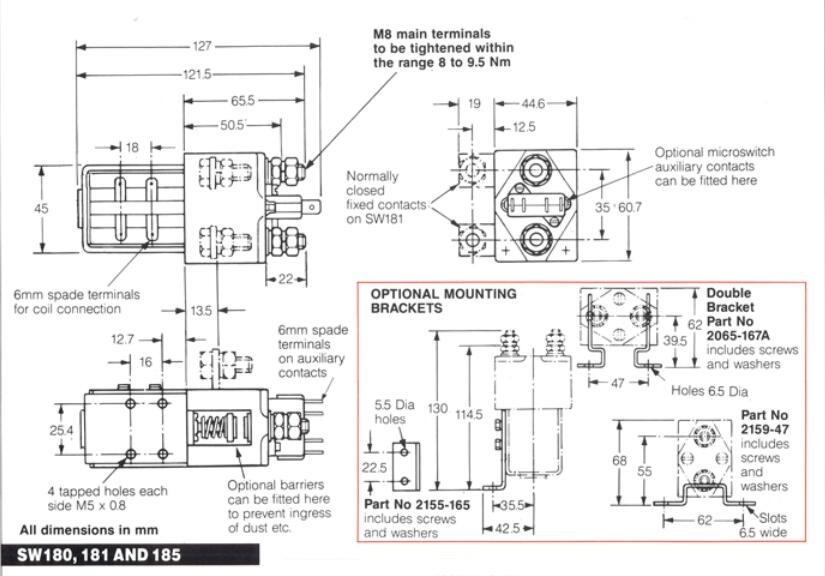
SW188采用单极,单掷,双断主触头,银合金尖端,耐焊接,耐磨,导电性能优良。SW188具有M8螺柱主端子和6.3mm铲形线圈连接。它可以通过M5螺纹孔或安装支架安装 - 可以提供安装,也可以作为单独的项目安装。安装时可以是水平或垂直,垂直时M8接触螺柱应朝上。如果要求是向下定向,我们可以调整接触器以补偿这一点。

请注意,常闭触点不适合制造和断开负载。



技术数据
线路原理图
外形尺寸图
SW188直流接触器
  • 邮  箱:cnhgq@foxmail.com 邮  编:201206
  • 厂  址:上海市曹路钦塘工业园钦塘东南1号 销售地址:上海浦东新区外高桥华申路150号2幢
  • © Copyright JOSEF Inc. All rights reserved.沪ICP备08020013号