SW180直流接触器

您的位置 : 网站首页 > 产品中心 > 主触头一常开直流接触器系列 > SW180直流接触器
SW180
SW180
  • SW180
型号:SW180直流接触器
  • 线圈额定电压(V)

    6-240V

  • 主触点额定电流(A)

    200A

联系电话:021-55560736
ZJ-50D直流接触器

产品介绍

Product introduction

产品用途
SW180 senes的接触器,设计为drect电流负荷,特别是电机,如用于电动汽车,如工业卡车。机场的牵引机等,他们有双断人接触与slver合金接触点,这是耐焊接硬耐磨和具有优良的导电性。
范围包括单杆/olt lypes SW180。
双极orvoil类型(SW1901 Sinale Pole)。
转换类型(SW181)。
单极。通常闭型(SW185)和成对的电机反转(SW182)。
DC182 SW192),转换单极接触器

技术数据
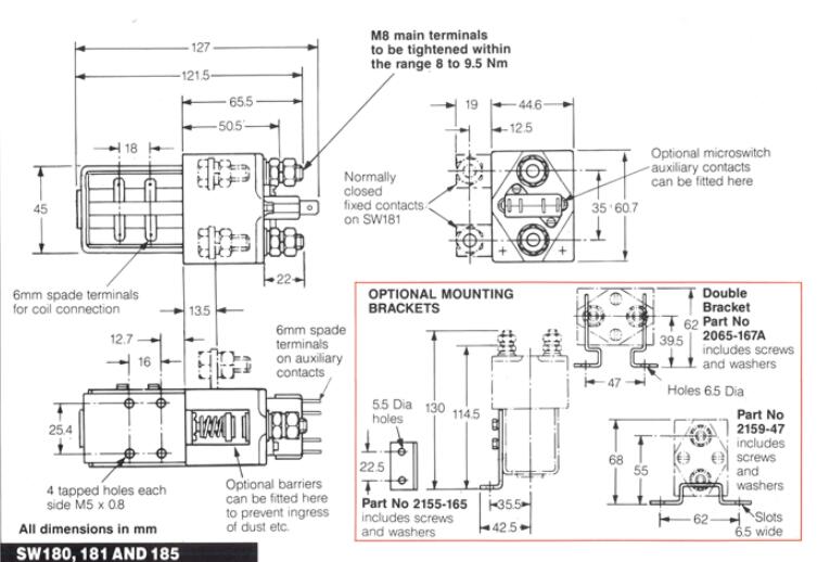
外形尺寸图
SW180系列直流接触器
  • 邮  箱:cnhgq@foxmail.com 邮  编:201206
  • 厂  址:上海市曹路钦塘工业园钦塘东南1号 销售地址:上海浦东新区外高桥华申路150号2幢
  • © Copyright JOSEF Inc. All rights reserved.沪ICP备08020013号